料罐稱重模塊是將容器的受力導向稱重傳感器的一種機械懸浮系統。SB靜載稱重模塊可以非常方便地安裝在各種形狀的容器上,在安裝了這種完全獨立的稱重模塊的容器中可以很方便地進行裝填料、配料甚至攪拌。
料罐稱重模塊特點:
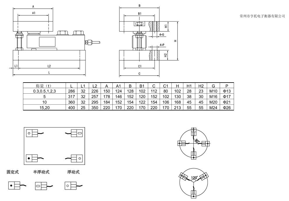
1、獨特的頂板
2、浮動、半浮動和固定式的頂板設計可使系統在容器出現形變時仍保持精確的計量。
3、支撐螺栓
4、能防止容器的傾覆,并為傳感器的更換和維修提供方便。
5、盲孔設計
6、使所有垂直重力都作用在傳感器的特定點上
7、傳感器承壓頭采用經熱處理的合金不銹鋼制造,保證了傳感器的高精度和耐久性。
傳感 器: SB
額定容量: 0.5,1,2,3,5,10,15,20t
靈敏 度: 2±0.002MV/V
安全過載: 150%R.C.
極限過載: 300%R.C.
防護等級: IP67
電纜長度: 4 5 6 9.5m
常州市亨托電子衡器有限公司專業生產各種規格型號的稱重模塊,廣泛應用于料罐,反應釜等稱重設備上。
為您提供優質的產品!優惠的價格!優良的服務!
常州亨托電子竭誠為您服務!咨詢電話:0519-89619969,18912325769
手機版|


















